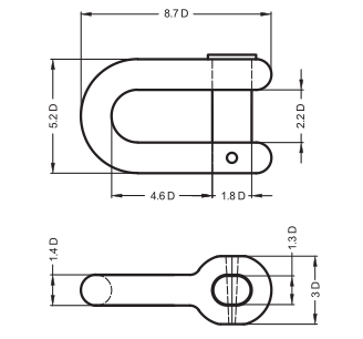
1. End Shackle Indroduction
End shackle was also known as Anchor End Shackle, Which has an oval pin and is generally used to connect the crown shackle of the anchor to the swivel forerunner of the anchor chain. Available in dia 14mm up till 130mm, grade U2 and or/ U3.
2. Specifications
Materials: CM490/CM690
Grade: U2/U3

![]()
